


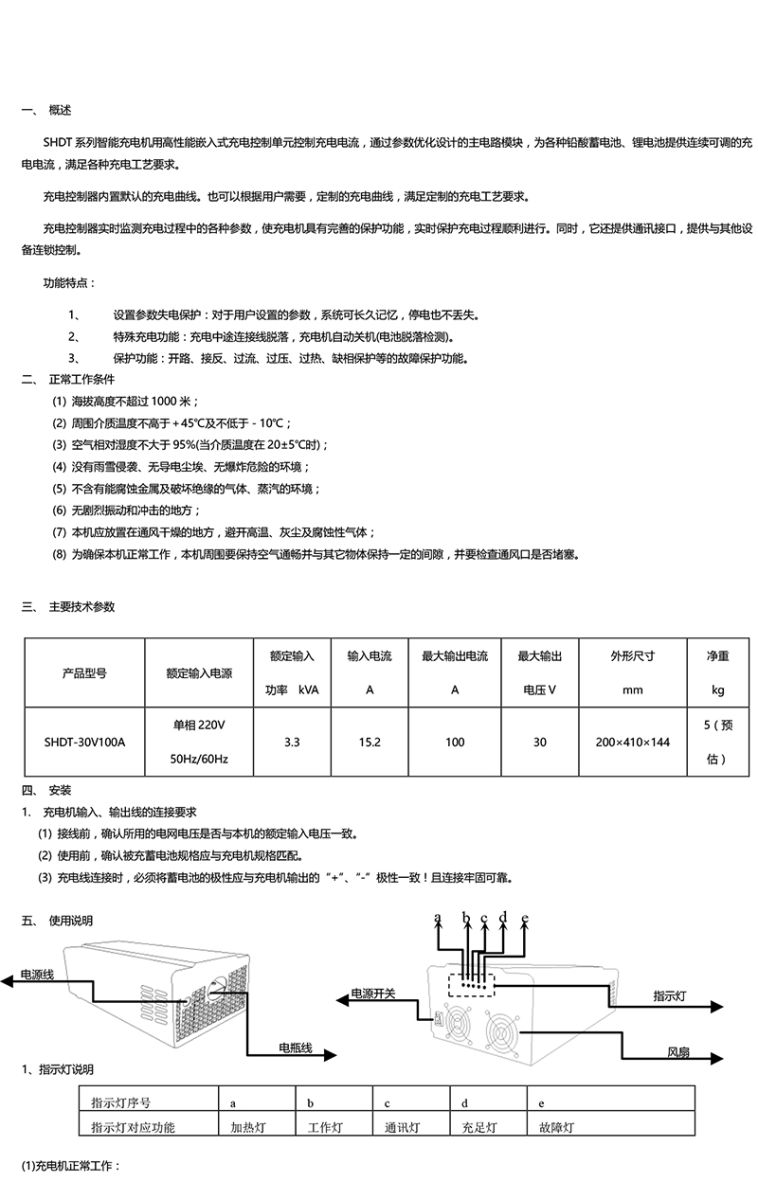
SHDT 系列智能充电机用高性能嵌入式充电控制单元控制充电电流,通过参数优化设计的主电路模块,为各种铅酸蓄电池、锂电池提供连续可调的充电电流,满足各种充电工艺要求。
充电控制器内置默认的充电曲线。也可以根据用户需要,定制的充电曲线,满足定制的充电工艺要求。
充电控制器实时监测充电过程中的各种参数,使充电机具有完善的保护功能,实时保护充电过程顺利进行。同时,它还提供通讯接口,提供与其他设备连锁控制。
设置参数失电保护:对于用户设置的参数,系统可长久记忆,停电也不丢失。
特殊充电功能:充电中途连接线脱落,充电机自动关机(电池脱落检测)。
保护功能:开路、接反、过流、过压、过热、缺相保护等的故障保护功能。
售前支持 021-58222666/58228686
销售应急 18918621852
售后服务 4008883026、
021-58221666/58221622
技术支持 021-58228080、
13918674668
应急投诉 13901854050